Centro de regulação de aquecimento/arrefecimento por piso radiante
Centro de regulação de aquecimento/arrefecimento por piso radiante está esgotado e será enviado assim que estiver de novo em estoque.
Não foi possível carregar a disponibilidade de recolha
Entrega e Envio
Entrega e Envio
Envio em 24 horas
Envio padrão = 24 horas / 48 horas
Centro de conexão das cabeças eletrotérmicas instaladas no coletor
Compatível com piso radiante e aquecimento/arrefecimento por piso radiante
Essencial para conectar termostatos para regular a temperatura do sistema de piso radiante
1 caixa pode controlar 8 zonas/salas
| Regra | CE |
| Alimentando | 220V/50-60Hz |
Segurança: desligue sempre a alimentação antes de realizar qualquer instalação, qualquer intervenção, manutenção ou limpeza.
Por favor, leia o procedimento de instalação cuidadosamente antes de iniciar
Intervenção profissional é recomendada
Todas as conexões devem estar em conformidade com os padrões e práticas atuais
Em caso de falha comprovada, entre em contato com o atendimento ao cliente e siga as recomendações antes de ligar o equipamento.
Use este aparelho apenas para o uso pretendido
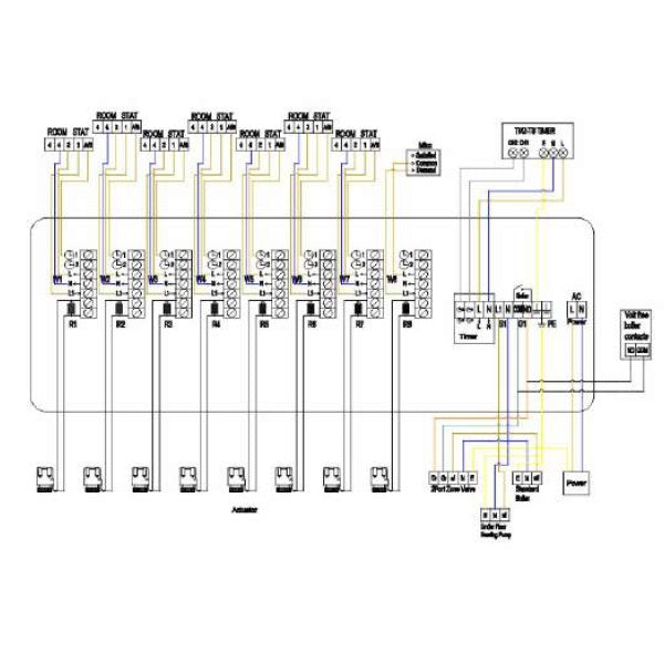
Esboço: (veja este esboço no visual)

W1-W8: Conexões às cabeças eletrotérmicas
L: Tensão de linha
N: Tensão neutra
L1: Tensão de linha da carga
R1-R8: Subunidade do atuador
S1: Bomba de circulação de água
G1: Saída sem tensão para caldeira
PE: GND
CA: Energia elétrica 110-240 VCA, 50-60 Hz





